Mikä on DC-ylijännitesuoja?
Tasavirtaylijännitesuojat (SPD) ovat välttämättömiä elektronisten järjestelmien suojaamiseksi jännitepiikeiltä ja varmistavat sekä luotettavuuden että tehokkuuden. Niiden kyky absorboida ja ohjata ylijänni...

• Korkea katkaisukapasiteetti
• Luotettava ilmaisinjärjestelmä
• Valinnainen kaksoisilmaisinversio
• IEC 60269-1 ja 2
| Mallinumero | NH000-NH3 Sulakelinkit |
| Jännite | 500Vac |
| Virta | Jopa 630 A |
| Katkaisukapasiteetti | 120kA |
| Käyttöluokka | gG-sulake |
| Standardit | IEC13539.1/.2 IEC 60269-1/-2 |
| Alkuperämaa | Kiina |

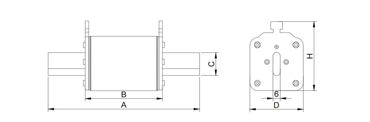
| Malli | Nominelli jännite | Nominelli virta | Mitat | ||||
| (Vaihtojännite) | (A) | A | B | C | D | H | |
| NT000/NT00C/NT000S | 500 | 6-125 | 78 | 50 | 15 | 21 | 53 |
| NT00/NT00S | 500 | 50-160 | 78 | 51 | 15 | 30 | 60 |
| NT0/NT0S | 500 | 6-160 | 125 | 68 | 15 | 30 | 60 |
| NT1C | 500 | 16-160 | 135 | 68 | 15 | 30 | 67 |
| NT1/NT1S | 500 | 32-250 | 135 | 68 | 20 | 46 | 62 |
| NT2C | 500 | 23-250 | 150 | 68 | 20 | 46 | 67 |
| NT2/NT2S | 500 | 80-400 | 150 | 68 | 25 | 58 | 74 |
| NT3C | 500 | 200-400 | 150 | 68 | 25 | 58 | 81.5 |
| NT3/NT3S | 500 | 160-630 | 150 | 68 | 32 | 70 | 82 |


Pyydä tarjous