SHLX-PV2/1 DC yhdistelmälaatikko

EDUT

• Korkea luotettavuus

DC FUSE:n kanssa
DC-ylijännitesuojalaitteella
DC-katkaisijalla tai tasavirtakuorman erotuskytkimellä

 

• Vahva mukautumiskyky

IP65-muotoilu, vedenpitävä, pölynkestävä ja ultravioletti.
Tiukka testi korkealle ja matalalle lämpötilalle, käytetään laajalti.
Yksinkertainen asennus, yksinkertaistettu järjestelmän johdotus, kätevä johdotus
Laatikon runko on valmistettu kylmävalssatusta teräksestä ja muista metallimateriaaleista

 

• Joustava kokoonpano

Käytetään yksikiteisissä piiaurinkomoduuleissa, monikiteisissä piiaurinkomoduuleissa, ohutkalvoaurinkomoduuleissa. Aurinkosähkösulakkeen, katkaisijan ja kuormanerotuskytkimen nykyistä arvoa on muutettu

 

SHLX-PV2/1 DC-yhdistimen laatikko

 

 

KUVAUS

 

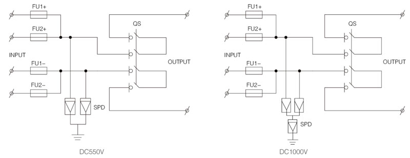
SHLX-PV2/1 DC-yhdistäjärasia sopii invertteriin (MAX tulojännite DC550V/DC1000V, 2 PV tulokanava, 1 lähtökanava, yksi MPPT-invertteri). Laatikon runko on valmistettu PVC-tekniikan materiaaleista ja testattu palonesto-, lämpötilan nousu-, iskunesto-, ultravioletti- ja muilla testeillä. IP65 suojausluokka.
Suunnittelu ja konfigurointi ,tiukasti "Aurinkosähköliitoslaitteiden teknisten eritelmien" CGC/GF 037:2014 mukainen. Tarjoa käyttäjille turvallisia, lyhyitä, kauniita ja soveltuvia aurinkosähköjärjestelmän tuotteita.

 

 

TEKNISET PARAMETRIT

 

SHLX-PV2/1 DC-yhdistimen laatikko

 

 

KAAVIOKUVA

 

SHLX-PV2/1 DC-yhdistimen laatikko

 

Viesti

Liittyvät tuotteet

Uutiset tiedot